---
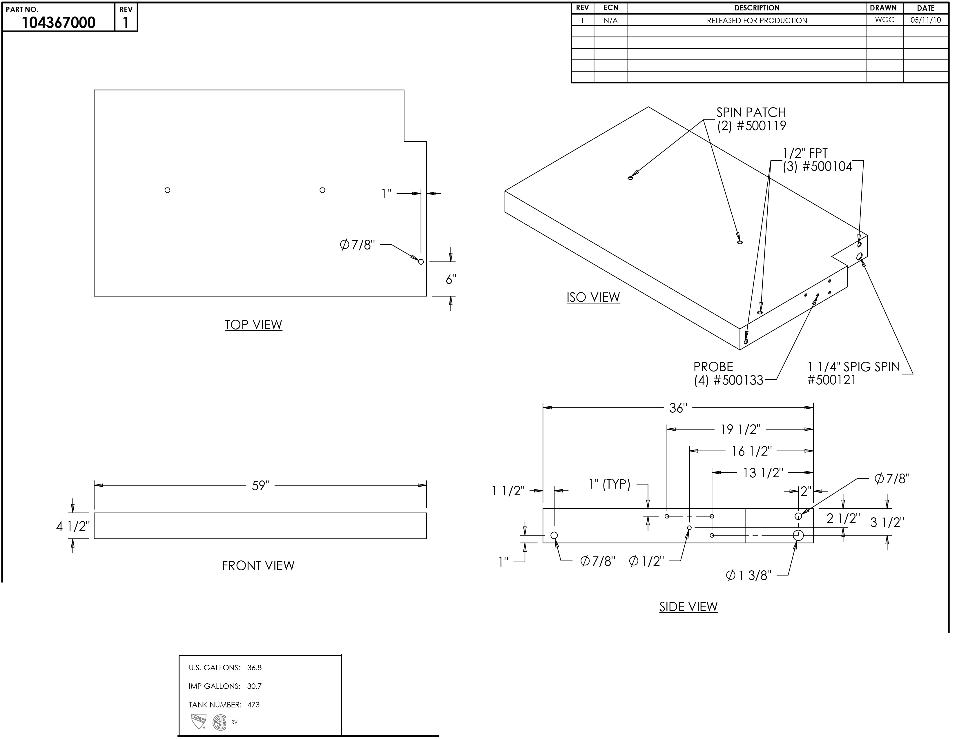
RV Water Tank #104367000 is manufactured by Elkhart Plastics. This tank comes will all fittings installed as you see them in the schematic.
An RV fresh water tank is a tank that carries clean water for your use in your RV. This tank is connected to a pump that then brings your clean water to your toilet, tub or shower, and sinks of your RV. When a city water hook-up is available, you can by-pass the use of your stored clean water and pump city treated water into the RV's plumbing valves instead. The whole system works and also looks much like the plumbing of your home. Some RV owners always choose to fill and use their fresh water tanks for their plumbing needs, even when city water is available. This is a matter of preference.
Important: SPECIAL ORDER - 10 TANK MINIMUM. This item is available on special order only. This is a custom made tank and according to current manufacturer data, there is an estimated 6-12 week production timeframe.
PLEASE NOTE: Due to this being a custom order there are no returns and no refunds.
Premium FDA-Approved Material: Made from high-quality, durable polyethylene that’s fully approved for safe drinking water storage—better than many stock tanks installed in factory-built RVs.
Seamless One-Piece Construction: Engineered without seams or joints for superior strength and leak-proof reliability, outlasting and outperforming typical OEM tanks.
Stain, Corrosion, and Rust Resistant: Designed to stay clean and functional even after years of use, ensuring your water stays fresh and your tank stays dependable.
Versatile Compatibility: Ideal for RV enthusiasts, horse trailer owners, or marine adventurers looking for a long-lasting, hassle-free water storage solution.
Enhanced Durability: Built tougher than many standard factory-installed tanks, offering peace of mind whether you’re replacing an old tank or upgrading your setup.
| Approval | FDA-approved for drinking water |
|---|---|
| Material | Polyethylene |
| Resistance | Stain, corrosion, and rust resistant |
| Construction | Seamless one-piece |
| Capacity (gallons) | 36 |
- What is the capacity of the 36 gallon rv water tank? The tank has a capacity of 36 gallons.
- Is the 36 gallon rv water tank made from safe materials for drinking water? Yes, it is made from premium FDA-approved polyethylene material, which is safe for storing drinking water.
- Does the water tank come with all necessary fittings installed? Yes, the tank comes with all fittings installed as shown in the schematic.
- Can this water tank be used for applications other than rvs? Yes, it is also suitable for use in horse trailers and marine vessels.
- Is this water tank durable and resistant to leaks? Yes, it features seamless one-piece construction for superior strength and leak-proof reliability, and it is stain, corrosion, and rust resistant.
Factory-Fresh OEM Parts — the same brands installed in new RVs straight from Elkhart. Genuine, name-brand components made to order — never generic, never outdated. Sourced directly from the original RV manufacturers for perfect fit and factory-level quality.

